Mail us
sale@tiger-transformer.comPhone us
(+86)15155183777For commonly used power supply topologies, non-isolated power supplies mainly include: Buck, Boost, Buck-Boost, etc.; and isolated power supplies mainly include various flyback, Forward, half-bridge, LLC and other topologies.
Combining commonly used isolated and non-isolated power supplies, we can intuitively draw some of their advantages and disadvantages, as shown in Table 1 and Table 2, the advantages The disadvantages are pretty much the opposite.

For the above advantages and disadvantages, most of us can understand well, because after the power supply is abnormal, whether the power supply is isolated or not The damage to the load, we simply analyze the Buck and its corresponding isolation circuit, that is, the forward circuit, as shown in the following diagram.
Figure 3 Buck circuit
Figure 4 The energy trend of the Buck switch after breakdown
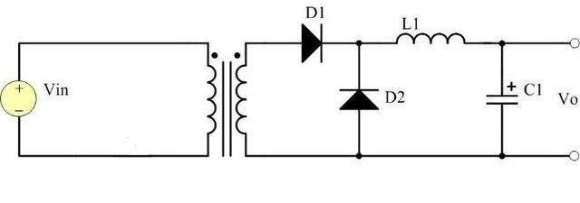
Figure 5 Forward circuit
Figure 6 Schematic diagram of the switch tube of the forward circuit after breakdown
It can be seen from Figure 3 and Figure 4 that for the Buck circuit, if the switch tube breaks down and short-circuits, because there is no isolation, the input terminal is higher The voltage is directly applied to the load terminal through the inductor, and the load is likely to burn out due to overvoltage.
As can be seen from Figure 5 and Figure 6, for the forward circuit, the same switch tube is broken down and short-circuited, and for the load, only the power supply is cut off, it will not cause other effects on the load itself.