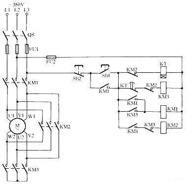
What is a motor starter? What are the classifications and functions of motor starters?
The motor starter is a device used to assist the motor to start. It can make the motor start smoothly, reduce the impact on the power grid, and can also realize the soft stop, brake, overload and phase loss protection of the motor.1. Magnetic starter1 The magnetic starter is based on an AC contactor
Read More


