Close

Classification of power supplies based on voltage conversion input and output

Power supply is one of the core parts of the entire circuit. A circuit must be supported by a complete power supply system to function. Especially in complex projects, multiple power systems are often involved at the same time. Each power system involves startup sequence, coupling, power interference, integrity design, etc.; a single power system also involves DC-AC conversion, voltage conversion, signal line and ground line coupling, etc.

Picture

As shown in the figure above, the power supply can be based on voltage conversion Input and output are divided into three major categories: AC-DC (rectifier), DC-DC, DC-AC (inverter). Among them, DC-DC is used more in small signal circuits, and the other two are used more in electronic power systems. The most common application of AC-DC is when we need to introduce mains power to the circuit board. At this time, AC-DC is often needed to convert 220V to the required DC voltage. DC-AC is widely used in the photovoltaic industry and the electric motor industry.

The application of DC-DC is more extensive and common, and DC-DC will be further explained next.

Picture

1. LDO and switching power supply

As shown in the figure, DC-DC can be divided into two types: LDO (low dropout linear regulator) and switching power supply. Among them, the former uses a comparator to compare the difference between the reference voltage and the actual output voltage, thereby regulating the input voltage, and achieving the same actual output voltage and the reference voltage through negative feedback.

Picture

LDO principle diagram

The latter uses a topology composed of basic components such as diodes, capacitors, and inductors to store and discharge input energy, thereby increasing or decreasing the output voltage.

Picture

BUCK circuit topology

Advantages and disadvantages of LDO compared with switching power supply:

1. Efficiency

The efficiency of the switching power supply is higher than that of the LDO power supply, because the switching element of the switching power supply converts the input voltage into high-frequency pulses, and obtains the output voltage after filtering and adjustment, which can achieve higher conversion efficiency. The efficiency of the LDO power supply is relatively low, because the transistor needs to be controlled through a feedback loop when adjusting the output voltage, and this loop will consume a certain amount of power.

2. Cost

The cost of switching power supply is relatively high because the switching circuit requires more complex circuit design and High component costs. The cost of LDO power supply is relatively low because the circuit is relatively simple and the cost of components is relatively low.

3. Stability

The stability of the LDO power supply is relatively high because the transistor can control the output voltage through feedback The loop is precisely controlled. The stability of the switching power supply is relatively poor, because the on and off switching elements in the switching circuit will cause certain fluctuations and disturbances in the output voltage.

4. Applicable environment

LDO can only be used to step down, while switching power supply can be used to step up or step down. (BUCK-BOOST topology).

2. Isolated type and non-isolated type

The biggest difference between the isolated type and the non-isolated type is whether circuit isolation is performed before and after conversion. Regarding isolation, we can understand it as: whether the input terminal and the output terminal are directly connected in a circuit without a voltage regulator; it is also said that whether the input terminal and the output terminal are connected to the common ground is judged to determine whether it is isolated.

Picture

Typical isolated power supply - reverse Excitation power supply

As shown in the figure above, since the input terminal and the two output terminals are separated by a transformer, it is called an isolated power supply circuit. (Input and output are connected through a voltage regulator/input and output terminals are not connected to a common ground)

Advantages and disadvantages of isolated type compared with non-isolated type: strong>

1. Efficiency

The efficiency of the non-isolated type is higher than that of the isolated type, mainly because the isolated power supply The input and output ends are connected by a transformer. The transformer will inevitably bring certain circuit losses, resulting in a decrease in conversion efficiency.

2. Security and anti-interference

Isolated type has higher security and anti-interference , this is Since the isolated power supply can isolate the input terminal and the output terminal, the two are separated on the circuit. For isolated power supplies, when the circuit at one end is abnormal, the other end is less affected.

3. Cost

The cost of the isolated type is higher than that of the non-isolated type, and the isolated type power supply requires an additional transformer. This directly increases costs. In addition, the volume of the isolated power supply is relatively large.

4. Applicable environment

The isolated type can have single input and multiple output, while the non-isolated type can only have single output .

3. Forward and flyback

The difference between forward and flyback mainly lies in the polarity matching between the input terminal and the output terminal of the transformer . If the input and output terminals of the transformer have the same polarity, it is a forward power supply, otherwise it is a flyback power supply.

image

Forward power supply (image source watermark)

For a forward power supply, the input and output are turned on and off at the same time. When the switch MOS is turned on, the energy at the input terminal is directly transmitted to the output terminal, and the whole circuit constitutes a BUCK circuit. The forward power supply needs an additional primary coil to prevent the back electromotive force from breaking down the switch tube (also called magnetic reset circuit or demagnetization circuit).

image

Flyback power supply (image source watermark)

For the flyback power supply, the switching states of the input and output are just opposite. This is because the two ends of the transformer are opposite ends, so when the main coil is turned on, the secondary coil end is not turned on due to the reverse closing of diode D4. The whole circuit can be compared to a BUCK-BOOST**** circuit.

4. Inductive and capacitive methods

The biggest difference between inductive and capacitive methods is whether there are inductive components in the power circuit strong> , if there is an inductive method, if not, it is a capacitive method.

The capacitor method, also known as the charge pump, is a special DC-DC circuit that realizes voltage conversion without inductive energy storage.

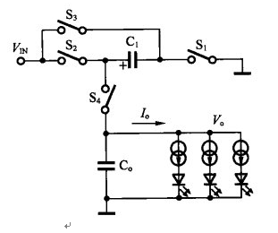
Picture

Schematic diagram of charge pump voltage doubler circuit

Principle of charge pump voltage doubler circuit:

In the first stage, switches S1and S2is closed, and the power supply charges the energy storage capacitor C1to VIN; in the second stage, the switches S3 and S4 are closed, because the voltage across the capacitor cannot change suddenly. , the energy storage capacitor C1is charged to 2VIN, so the output voltage at both ends of C0is 2VIN, The purpose of doubling the pressure is achieved.