Close

Talk about space vector control and tracking control technology in PWM

01

Space vector SVPWM control

Space vector SVPWM control technology is widely used in inverters. The chain becomes a circular rotating magnetic field, which causes the motor to generate a constant electromagnetic torque.

image

Three-phase voltage bridge inverter circuit

image


Using 180° conduction mode, there are 8 working states in total, that is, V6, V1, V2 are on, V1, V2, V3 are on, V2, V3, V4 are on, V3, V4, V5 are on, V4, V5 are on , V6 through, V5, V6, V1 through, and V1, V3, V5 through and V2, V4, V6 through, use "1" to indicate that the upper bridge arm switch of each phase is turned on, and use "0" to indicate that the lower bridge arm switch is turned on The above 8 working states can be expressed as 100, 110, 010, 011, 001, 101, 111 and 000 in sequence. The first 6 states have output voltage, which are effective working states, and the latter two are all on or off, without output voltage, which are called zero working states , so this basic inverter is called 6-beat inverter.

For a 6-beat inverter, in each working cycle, each of the 6 effective working states occurs once, each state lasts 60°, and the 6 voltage vectors rotate 360 degrees in one cycle °, forming a closed regular hexagon

image

Voltage space Vector hexagon

For the two "zero working states" of 111 and 000, here it is the zero vector at the origin, which is located at the center of the regular hexagon. Using PWM control, the magnetic flux of the AC motor can be as close to a circle as possible. The higher the operating frequency, the closer the magnetic flux is to a circle. When the required voltage vector is not six basic voltage vectors, two basic vectors and zero can be used. combination of vectors.

image

Linear combination of space voltage vector

The required vector is us, which is realized by the linear combination of basic vectors u1 and u2. The action time of u1 and u2 is generally less than 60° of the switching period To, and the insufficient time can be filled with "zero vector".

image

Three-phase PWM modulation method in sector Ⅰ

02

PWM inverter circuit multiplexing

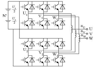
The purpose of multiplexing is to increase the equivalent switching frequency, reduce switching loss, and reduce Harmonic components related to the carrier. The multiple connection methods of the PWM inverter circuit include the transformer method and the reactor method.

Double PWM inverter circuit connected by reactor

image

The output of the circuit is drawn from the central tap of the reactor, the carrier signals of the two unit inverter circuits are staggered by 180°, the voltage uUN'=(uU1N'+ uU2N')/2 has become a unipolar PWM wave, and the output line voltage has five levels of 0, (±1/2)Ud, and ±Ud, which reduce the harmonics compared to non-multiplexing. The higher the frequency of the applied voltage, the smaller the inductance required for the reactor.

image

Double PWM inverter circuit After the output waveform is doubled, the angular frequency of the harmonics contained in the output voltage can still be expressed as nωc +kωr, but all the harmonics when n is an odd number have been removed, and the lowest frequency of the harmonics In the vicinity of 2ωc, the equivalent carrier frequency of the circuit is doubled.

03

PWM Tracking Control Technology

**Tracking Control Method: **Take the desired output current or voltage waveform as The command signal takes the actual current or voltage waveform as the feedback signal, and determines the on-off of each power switching device in the inverter circuit by comparing the instantaneous value of the two, so that the actual output tracks the change of the command signal.

Hysteresis comparison method

This method is widely used in current tracking control.

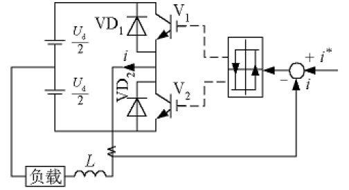
①PWM current tracking control single-phase half-bridge inverter circuit

image

Take the deviation i -i of the command current i and the actual output current i as the input of a comparator with hysteresis characteristics, and control the power device V1 and V1 through its output On and off of V2.

image

Command current and output current of hysteresis comparison method< /p>

When V1 (or VD1) is turned on, i increases; when V2 (or VD2) is turned on, i decreases. Through the control of the hysteresis comparator with a loop width of 2ΔI, i is within the range of i*+ΔI and i*-ΔI, tracking the command current i* in a sawtooth manner. When the ring width is too wide, the switching frequency is low and the tracking error is large; when the ring width is too narrow, the tracking error is small, but the switching frequency is too high and the switching loss increases. When L is large, the rate of change of i is small and the tracking is slow; when L is small, the rate of change of i is large and the switching frequency is too high.

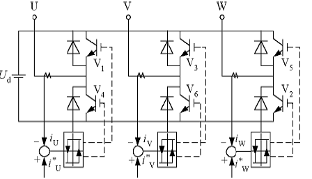
②Three-phase current tracking type PWM inverter circuit

image

It is composed of three single-phase half-bridge circuits, and the three-phase current command signals iU, iV and i*W are sequentially different by 120°. In the positive half cycle and negative half cycle of the line voltage, there are pulse outputs with opposite polarities, which will increase the harmonic component in the output voltage and increase the harmonic loss of the load.

The current tracking PWM converter circuit using the hysteresis comparison method has the following characteristics:

⑴The hardware circuit is simple;

⑵Real-time control, fast current response.

(3) No carrier is used, and the output voltage waveform does not contain harmonics of specific frequencies.

(4) Compared with the calculation method and the modulation method, there are more high-order harmonics in the output current at the same switching frequency.

⑸Belongs to closed-loop control, which is a common feature of various tracking PWM converter circuits.

Voltage tracking control:

image

Comparing the command voltage u* with the output voltage u, filtering out the harmonics in the deviation signal, the output of the filter is sent to the hysteresis comparator, and the output of the comparator controls the on-off of the switching device. So as to realize the voltage tracking control. The PWM waveform of the output voltage contains a large number of high-order harmonics, which must be filtered out with an appropriate filter.

When u*=0, the output voltage u is a rectangular wave with a higher frequency, which is equivalent to a self-excited oscillation circuit. When uis a DC signal, u generates a DC offset and becomes a rectangular wave with different positive and negative pulse widths, positive width and negative narrow or positive narrow and negative width. When u is an AC signal, as long as its frequency is much lower than the above self-excited oscillation frequency, after filtering out the high-order harmonics generated by the on-off of the device from u, the obtained waveform is almost the same as u*, so Realize voltage tracking control.

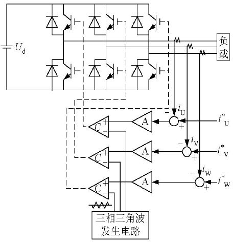
Triangle wave comparison method

image

Triangular wave comparison mode current tracking inverter circuit

Compare the command current iU, iV and i*W with the actual output current iU of the inverter circuit , iV, and iW are compared to obtain the deviation current, and after being amplified by amplifier A (amplifier A usually has proportional-integral characteristics or proportional characteristics, and its coefficient directly affects the current tracking characteristics of the inverter circuit), then it is compared with the triangular wave. Generate PWM waveform.

Features:

⑴The switching frequency is fixed, which is equal to the carrier frequency, and the high-frequency filter design is convenient.

⑵In order to improve the output voltage waveform, a triangular wave carrier is commonly used as a three-phase triangular wave carrier.

(3) Compared with the hysteresis comparison control method, the output current of this control method contains less harmonics.

Timed comparison method

This method does not use a hysteresis comparator, but sets a fixed clock. The command signal and the controlled variable are sampled at a fixed sampling period, and the on-off of the switching device of the converter circuit is controlled according to the polarity of the deviation between the two, so that the controlled variable tracks the command signal.

We take the single-phase half-bridge inverter circuit as an example, at the sampling moment when the clock signal arrives

if i

if i>i*, V1 is off Off, V2 conduction, so that i decreases.

The control effect at each sampling moment reduces the error between the actual current and the command current. When the timing comparison method is used, the highest switching frequency of the device is 1/2 of the clock frequency. Compared with the hysteresis comparison method, the current control error does not have a certain loop width, and the control accuracy is lower.