Close

blog

Talk about space vector control and tracking control technology in PWM

Talk about space vector control and tracking control technology in PWM

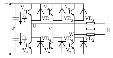
01 Space vector SVPWM control Space vector SVPWM control technology is widely used in inverters. The chain becomes a circular rotating magnetic field, which causes the motor to generate a constant electromagnetic torque. Three-phase voltage bridge inverter

Read More
Multisim simulation - capacitance measurement circuit

Multisim simulation - capacitance measurement circuit

Digital Capacitance Tester: Capacitance is an essential electronic component in electronic design. It is widely used in electronic design. There are many types of capacitance, and the values of different types of capacitance From a few pf to a few F, it is very important to clarify th

Read More
Key Points of Winding in Manufacturing Process of High Frequency Transformer

Key Points of Winding in Manufacturing Process of High Frequency Transformer

A、Determine the parameters of BOBBINB、All windings are required to be flat and non-overlapping.C、A single set of winding wires can be single-color wires, and double-set winding wires must be divided into two-color wires or open wires soaked in tin to avoid wrong windingD、The

Read More